ladbrokes立博

三维旋转线接头

ladbrokes立博 - 产品展示

RH型 双径路(内管补偿器式)
型号:RHSX、RHSXF
外管:螺纹或法兰
特征:平面密封设计; 高精度动轴承; 不锈钢外管; 最佳密封配合面; 高转速、低扭矩; 长寿命、可靠性高。

技术工艺参数表:
适用介质 水、油、空气
最高温度 ≤120℃(水)、≤260℃(油)
最高压力 6A-50A    ≤1.0MPa 65A-80A  ≤0.8MPa
最高转速 6A-50A    ≤1500rpm 65A-80A  ≤ 800rpm

产品咨询 返回列表

銷售服务保障热线电话: 0595-8686 1188


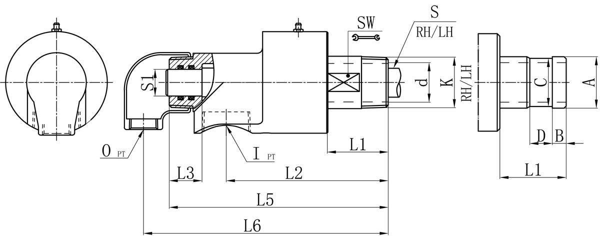
Model K I O S1 d L1 L2 L3 L5 L6 SW 法兰式外管尺寸对照表
A B C D
15A R1/2" Rc1/2" Rc1/2" 10 13 35 85 28 135 149 20 / / / /
20A R3/4" Rc3/4" Rc1/2" 12 17 38 105 30 145 160 26 26 11 24 16
25A R1" Rc3/4" Rc1/2" 16 21 41 113 25 155 168 31 34 12 32 18
32A R1-1/4" Rc1-1/4" Rc1/2" 20 30 48 138 35 194 207 41 40 13 38 20
40A R1-1/2" Rc1-1/2" Rc3/4" 25 36 53 148 37 206 225 46 47.8 13 45 20
65A R2-1/2" Rc2" Rc1-1/4" 40 60 79 214 45 289 316 80 74 19 70 24
80A R3" Rc2-1/2" Rc2-1/2" 46 72 85 231 49 322 349 87 87 25 84 24
如属规格品外,本公司可配合要求制作。
规格尺寸如有修改,恕不另行通知。

Copyright ©福建省ladbrokes立博科技股份有限公司 版权所有 中机标准化研究院 网站建设: