ladbrokes立博

高速旋转金属接头

ladbrokes立博 - 产品展示

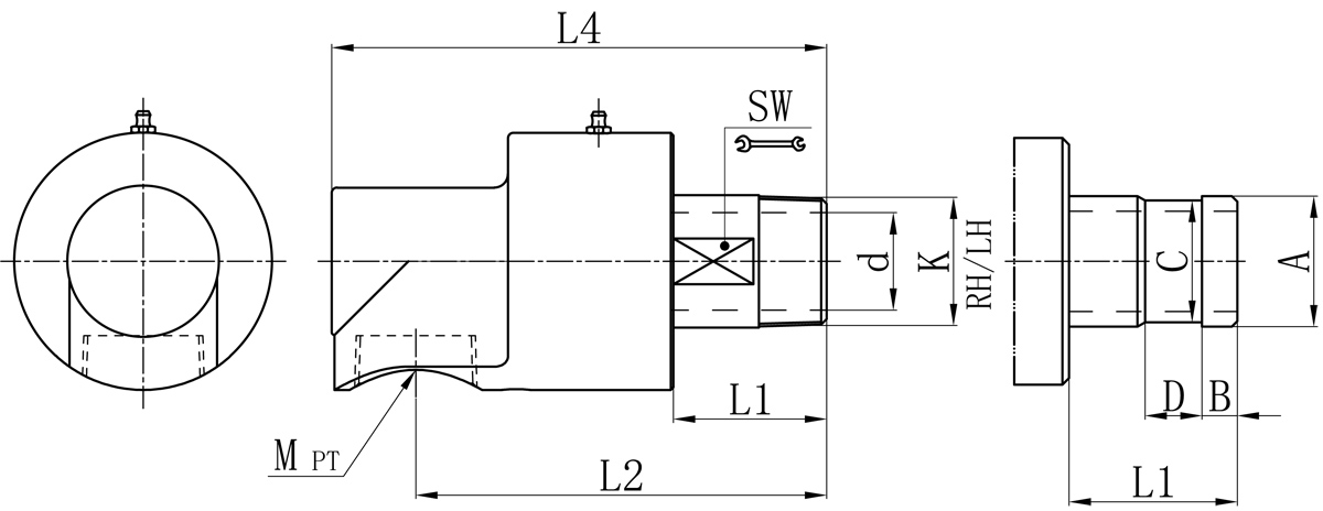
RH型 单径路
型号:RHD、RHDF
外管:螺纹或法兰
特征:平面密封设计; 高精度动轴承; 不锈钢外管; 最佳密封配合面; 高转速、低扭矩; 长寿命、可靠性高。

技术水平参数指标:
适用介质 水、油、空气
最高温度 ≤120℃(水)、≤260℃(油)
最高压力 6A-50A≤1.0MPa 65A-80A≤0.8MPa
最高转速 6A-50A≤1500rpm 65A-80A≤800rpm

产品咨询 返回列表

经销商服务质量电話: 0595-8686 1188


Model K M d L1 L2 L4 SW 法兰式外管尺寸对照表
A B C D
15A R1/2" Rc1/2" 13 35 99 115 20 / / / /
20A R3/4" Rc3/4" 17 38 105 125 26 26 11 24 16
25A R1" Rc1" 21 41 116 137 31 34 12 32 18
40A R1-1/2" Rc1-1/2" 36 53 148 177 46 47.8 13 45 20
65A R2-1/2” Rc2-1/2” 60 79 214 261 80 74 19 70 24
80A R3” Rc3” 72 85 231 285 87 87 23 84 24

如属规格品外,本公司可配合要求制作。
规格尺寸如有修改,恕不另行通知。  

Copyright ©福建省ladbrokes立博科技股份有限公司 版权所有 中机标准化研究院 网站建设: