ladbrokes立博

拖动接线头

ladbrokes立博 - 产品展示

H型 单信号通路
型号:HD、HDF
外管:螺纹或法兰
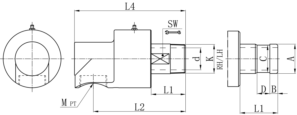
特征:平面密封设计; 不锈钢外管; 完整均匀的流通设计; 轴承间距最大化; 外管有螺纹和快换法兰连接形式。

技术水平性能参数:
适用介质 水、空气、油
最高温度 ≤90℃(水)、≤200℃(油)
最高压力 ≤1.0MPa
最高转速 ≤1000rpm


产品咨询 返回列表

销售人员服务于电话: 0595-8686 1188


Model K M d L1 L2 L4 SW 法兰式外管尺寸对照表
A B C D
15A R1/2" Rc1/2" 13 29 85 100 20 / / / /
20A R3/4" Rc3/4" 17 39 103 121 26 26 11 24 16
25A R1" Rc1" 21 49 115 139 31 34 12 32 18
32A R1-1/4" Rc1-1/4" 30 51 134 159 41 40 13 38 13
40A R1-1/2" Rc1-1/2" 36 59 146 176 46 47.8 13 45 20
50A R2" Rc2" 46 70 191 227 57 60 16 57 24
65A R2-1/2 Rc2-1/2” 60 79 214 261 80 74 19 70 24
80A R3 Rc3” 72 85 231 285 87 87 23 84 24

如属规格品外,本公司可配合要求制作。
规格尺寸如有修改,恕不另行通知。

Copyright ©福建省ladbrokes立博科技股份有限公司 版权所有 中机标准化研究院 网站建设: